Профессиональное телевизионное оборудование

 
 
 

 

Продукция по семействам

 

Продукция по категориям

 

Главная >  Оптические интерфейсы  PN-MF-250-x

 

Многоканальные оптические преобразователи 12G/3G/HD/SD SDI, ASI Ethernet многоволоконные с автоконфигурированием
PN-MF-250-x

 

Многоканальные многоволоконные преобразователи [E/O (электрика/оптика) и O/E (оптика/ электрика)] системы ”PROFNEXT” серии PN-MF-250-XX  позволяют передавать до 4-х 12G/3G/HD-SD SDI, ASI сигналов плюс 100/1000 Ethernet по нескольким волокнам. По линии Ethernet имеется встроенный двухпортовый коммутатор (2 port switch).

Преобразователь образуется сочетанием базового модуля серии PN-MF-250-XX  и  SFP модуля. В зависимости от сочетания модулей (базового и SFP) конфигурируются блоки с требуемым функциональным назначением. При заказе Пользователь определяет тип необходимых SFP для требуемого устройства.

Для приема/передачи SDI предназначены четыре BNC разъема и соответствующие им два SFP слота, расположенные внутри блока с соответствующими оптическими LC разъемами на задней панели блока. Двум разъемам BNC соответствует один слот SFP и два LC разъема. В зависимости от устанавливаемого типа SFP устройство настраивает электрические SDI интерфейсы, конфигурируя каждый BNC разъем как вход либо как выход. Каждый BNC разъем имеет двухцветный светодиод, указывающий на направление работы разъема.

 Если BNC разъем является входом, то светодиод светится зеленым цветом, если выходом красным.

Видео SFP могут быть трех типов:

  • Двухканальный передатчик

  • Двухканальный приемник

  • Трансивер (приемник + передатчик). Трансиверы могут быть как двухволоконные, так и одноволоконные (встроенный WDM фильтр).

Для оптической линии Ethernet предназначен третий SFP слот с соответствующими оптическими LC разъемами на задней панели блока. В устройстве реализован двухпортовый коммутатор (2 port switch) с электрическими портами на разъемах RJ-45. Длины волн, используемые в линии 100/1000 Ethernet, могут быть 1310nm,1550nm либо CWDM (16 возможных длин волн, 1270nm…1610nm c шагом 20nm). 100/1000 Ethernet трансиверы могут быть как двухволоконные, так и одноволоконные (встроенный WDM фильтр).

В любой видео SFP слот  может быть установлен любой тип видео SFP. В зависимости от набора видео SFP и поддержки 100/100 Ethernet устройство приобретает требуемый функционал.

Длины волн передатчиков могут быть 1310nm,1550nm либо CWDM (16 возможных длин волн, 1270nm…1610nm c шагом 20nm).

Используя SFP модули с CWDM лазерами и внешний оптический CWDM мультиплексор/ демультиплексор пользователь имеет возможность все свои каналы передавать/принимать по одному волокну.

В системе ”PROFNEXT” возможны следующие типы CWDM MUX/DEMUX:

  • PN-COM-4-1270  (4 канала, начальная длина волны 1270nm)

  • PN -COM-4-1470  (4 канала, начальная длина волны 1470nm, вход расширения 1310nm)

  • PN -COM-4-1550  (4 канала, начальная длина волны 1550nm, вход расширения 1310nm)

  • PN -COM-8-1270  (8 каналов, начальная длина волны 1270nm)

  • PN -COM-8-1470  (8 каналов, начальная длина волны 1470nm, вход расширения 1310nm)

  • PN- COM-16-1270 (16 каналов, начальная длина волны 1270nm)

 

Функциональные возможности и достоинства:

  • От двух  до четырех SDI каналов (поддержка 12G) + Ethernet (2 port SW) в одном модуле

  • В зависимости от типа SFP автоматическое изменение функции BNC разъемов (вход либо выход)

  • Восстановление тактовой (reclocking)

  • Встроенный двухпортовый коммутатор по линии Ethernet

  • Мониторинг наличия линии Ethernet

  • Любое соотношение передатчиков/приемников внутри корпуса

  • Как односторонняя, так и двусторонняя передача видеосигналов

  • Мониторинг наличия оптических/электрических сигналов на входе блока

  • 1310нм, 1550нм, CWDM, DWDM длины волн лазеров.

  • Модели для передачи сигналов на расстояние до 120 км.

  • Мониторинг входной/выходной оптической мощности.

  • Удаленный мониторинг и управление через WEB-интерфейс или программу PROFLEX 3.0

 

Перечень возможных устройств и их функционал

 

Однонаправленная передача SDI с поддержкой или без линии 100/1000 Ethernet.

Базовый модуль

Стороны A, B

ПЕРЕДАТЧИКИ (Tx)  и  ПРИЕМНИКИ (Rx).

Число каналов SDI

Сторона A

Tx

Сторона B

Rx

100/1000 Ethernet

Требуемое число волокон

A

PN-MF-250-(12G)-2-2T2F

     2

2

 

 

2

B

PN-MF-250-(12G)-2-2R2F

 

2

 

A

PN-MF-250-(12G)-2E-2T2F-E1F

     2

2

 

 V

3

B

PN-MF-250-(12G)-2E-2R2F-E1F

 

2

 V

A

PN-MF-250-(12G)-2E-2T2F-E2F

     2

2

 

 V

4

B

PN-MF-250-(12G)-2E-2R2F-E2F

 

2

 V

A

PN-MF-250-(12G)-4-4T4F

     4

4

 

 

4

B

PN-MF-250-(12G)-4-4R4F

 

4

 

A

PN-MF-250-(12G)-4E-4T4F-E1F

     4

4

 

 V

5

B

PN-MF-250-(12G)-4E-4R4F-E1F

 

4

 V

A

PN-MF-250-(12G)-4E-4T4F-E2F

     4

4

 

 V

6

B

PN-MF-250-(12G)-4E-4R4F-E2F

 

4

 V

 

Двунаправленная передача SDI с поддержкой или без 100/1000 Ethernet.

Базовый модуль

Стороны A, B

ТРАНСИВЕРЫ

Число каналов SDI

Сторона A

Tx+Rx

Сторона B

Tx+Rx

100/1000 Ethernet

Требуемое число волокон

A

PN-MF-250-(12G)-2-1T1R1F      

2

1+1

 

 

1

B

PN-MF-250-(12G)-2-1R1T1F

 

1+1

 

A

PN-MF-250-(12G)-2E-1T1R1F-E1F

2

1+1

 

 V

2

B

PN-MF-250-(12G)-2E-1R1T1F-E1F

 

1+1

 V

A

PN-MF-250-(12G)-2-1T1R2F

2

1+1

 

 

2

B

PN-MF-250-(12G)-2-1R1T2F

 

1+1

 

A

PN-MF-250-(12G)-2E-1T1R2F-E1F

2

1+1

 

 V

3

B

PN-MF-250-(12G)-2E-1R1T2F-E1F

 

1+1

 V

A

PN-MF-250-(12G)-2E-1T1R2F-E2F

2

1+1

 

 V

4

B

PN-MF-250-(12G)-2E-1R1T2F-E2F

 

1+1

 V

A

PN-MF-250-(12G)-4-2T2R2F

4

2+2

 

 

2

B

PN-MF-250-(12G)-4-2R2T2F

 

2+2

 

A

PN-MF-250-(12G)-4E-2T2R2F-E1F

4

2+2

 

 V

3

B

PN-MF-250-(12G)-4E-2R2T2F-E1F

 

2+2

 V

A

PN-MF-250-(12G)-4-2T2R4F

4

2+2

 

 

4

B

PN-MF-250-(12G)-4-2R2T4F

 

2+2

 

A

PN-MF-250-(12G)-4E-2T2R4F-E1F

4

2+2

 

 V

5

B

PN-MF-250-(12G)-4E-2R2T4F-E1F

 

2+2

 V

A

PN-MF-250-(12G)-4E-2T2R4F -E2F

4

2+2

 

 V

6

B

PN-MF-250-(12G)-4E-2R2T4F -E2F

 

2+2

 V

A

PN-MF-250-(12G)-4-3T1R3F

4

3+1

 

 

3

B

PN-MF-250-(12G)-4-3R1T3F

 

1+3

 

A

PN-MF-250-(12G)-4E-3T1R3F-E1F

4

3+1

 

 V

4

B

PN-MF-250-(12G)-4E-3R1T3F-E1F

 

1+3

 V

A

PN-MF-250-(12G)-4-3T1R4F

4

3+1

 

 

4

B

PN-MF-250-(12G)-4-3R1T4F

 

1+3

 

A

PN-MF-250-(12G)-4-3T1R4F-E1F

4

3+1

 

 V

5

B

PN-MF-250-(12G)-4-3R1T4F-E1F

 

1+3

 V

A

PN-MF-250-(12G)-4-3T1R4F-E2F

4

3+1

 

 V

6

B

PN-MF-250-(12G)-4-3R1T4F-E2F

 

1+3

 V


 

Использование устройств серии PN-MF-250-xx в системах многоканальной (до 16 каналов SDI) передачи по одному волокну.

 

Используя SFP модули с CWDM лазерами и внешний оптический CWDM мультиплексор/демультиплексор, пользователь имеет возможность все свои каналы передавать/принимать по одному волокну.

В системе ”PROFNEXT” возможны следующие типы CWDM MUX/DEMUX:

  • PN-COM-4-1270  (4 канала, начальная длина волны 1270nm)

  • PN-COM-4-1470  (4 канала, начальная длина волны 1470nm, вход расширения 1310nm)

  • PN-COM-4-1550  (4 канала, начальная длина волны 1550nm, вход расширения 1310nm)

  • PN-COM-8-1270  (8 каналов, начальная длина волны 1270nm)

  • PN-COM-8-1470  (8 каналов, начальная длина волны 1470nm, вход расширения 1310nm)

  • PN-COM-16-1270 (16 каналов, начальная длина волны 1270nm)

 

 

Основные технические данные и характеристики

 

Входы/выходы SDI/ASI:

Поддерживаемые стандарты на оптическом и электрических  SDI/ASI  входах/выходах

SMPTE ST-2082 (12G)

SMPTE ST-2081 (6G)

SMPTE 424M (3G)

SMPTE 292 (HD SDI)

SMPTE 259M (SD SDI), DVB-ASI

Восстановление тактовой по каждому каналу передатчика

Да

Восстановление тактовой по каждому каналу приемника

Да

Входное/выходное сопротивление, разъём

75 Ом,  BNC

Затухание несогласованности

>15 dB до 1.5 Gb

>10 dB до 3 Gb

Автоматическая коррекция кабеля по каждому входу:

12G

6G

3G

HD

SD, ASI

 

для кабеля 1694A или аналогичного

до 40 м

до 80 м

до 150 м 

до 250 м 

до 500 м 

 

Ethernet электрический вход/выход

Стандарт

IEEE 802.3i 10 Base-T, IEEE 802.3u 100 Base-T,                                                                                               IEEE 802.3ab 1000 Base-TX

Разъём

RJ-45, двух портовый коммутатор (switch)

Кабель

UTP кабель 5-ой категории, max 100м

 

Расстояния передачи, длины волн, требуемые SFP в зависимости от модели передатчиков, приемников и трансиверов приведены в Табл.1….Табл.8.

 

Оптические разъемы:

Разъемы

LC/PC

Волокно

Одномодовое

 

Потребляемая мощность……..………не более 4.5 Вт

 

Диапазон рабочих температур………. от 0 до 45°С.

 

Время непрерывной работы…………. 24 часа

 

Габаритные размеры…………………. фронтальная плата 233x100 мм,
                                                                   задняя плата 289х104 мм.

Масса ………………………..…………. не более 0,5 кг.


 

 

Состав и работа преобразователей оптических серии PN-MF-250-xx

 

В состав устройства входит базовый модуль  и  SFP модули (от одного до трех). 
При заказе Пользователь указывает  базовый модуль и
SFP-модули, выбираемые по требуемым параметрам:  функциональное назначение устройства, длина волны и рабочее расстояние (длина оптической линии). 

 

 

 
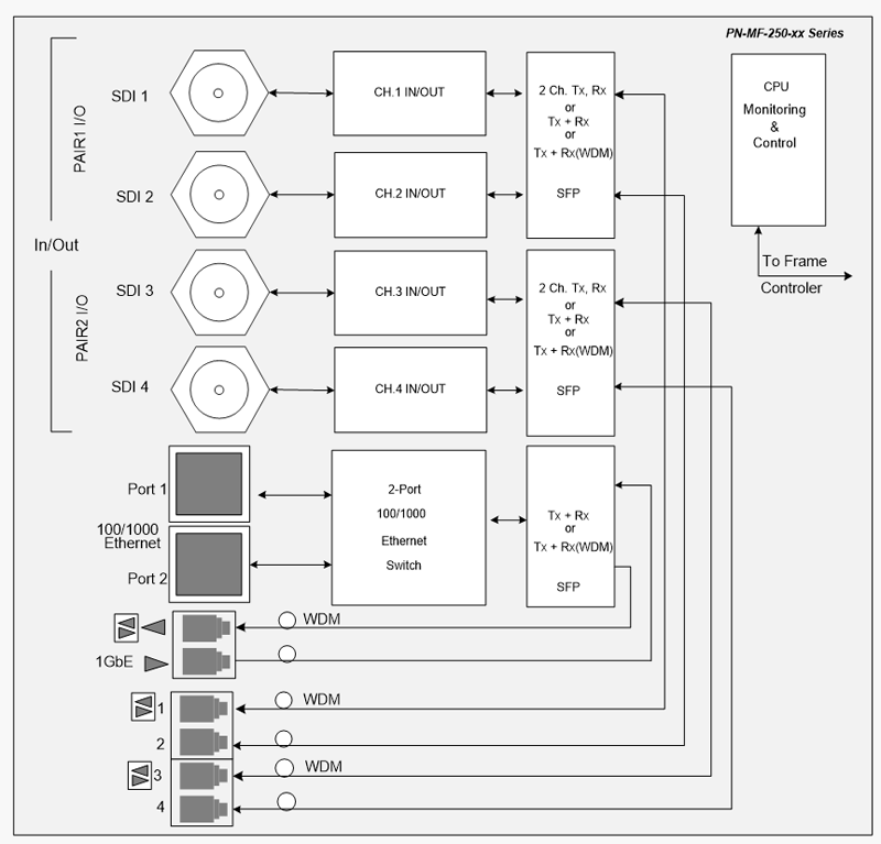
Структурная схема модуля многоканальной передачи по одному волокну

   

Для приема/передачи SDI предназначены четыре BNC разъема (PAIR1 I/O SDI1,2 и PAIR2 I/O SDI3,4)  и соответствующие им четыре оптические LC разъема (1,2,3,4).В зависимости от устанавливаемого типа SFP, устройство настраивает электрические SDI интерфейсы, конфигурируя каждый BNC разъем как вход либо как выход.

Каждый BNC разъем имеет двухцветный светодиод, указывающий на направление работы разъема.

  • Если BNC разъем является входом, то светодиод светится зеленым цветом, если выходом - красным.

Видео SFP могут быть трех типов:

  • Двухканальный приемник

  • Двухканальный передатчик

  • Трансивер (приемник + передатчик). Трансиверы могут быть как двухволоконные, так и одноволоконные (встроенный WDM фильтр).

SFP Ethernet трансивер может быть:

  • одноволоконный на дистанции 20 км либо 80 км (встроенный WDM);

  • двухволоконный на дистанции 20 км либо 80 км .

В состав устройства входит базовый модуль и SFP модули (от одного до трех).

В зависимости от набора видео SFP и поддержки 100/100 Ethernet устройство может приобрести следующие функциональные возможности:

  • Передатчики и приемники SDI двухканальные и четырехканальные

  • Передатчики и приемники SDI двухканальные и четырехканальные с поддержкой     двухволоконного 100/1000 Ethernet)

  • Передатчики и приемники SDI двухканальные и четырехканальные с поддержкой одноволоконного 100/1000 Ethernet

  • Трансиверы SDI двухканальные и четырехканальные

  • Трансиверы SDI двухканальные и четырехканальные с поддержкой     двухволоконного 100/1000 Ethernet

  • Трансиверы SDI двухканальные и четырехканальные с поддержкой одноволоконного 100/1000 Ethernet

 

Используя SFP модули с CWDM лазерами и внешний оптический CWDM мультиплексор/демультиплексор пользователь имеет возможность все свои каналы передавать/принимать по одному волокну.

При выборе конкретных моделей SFP следует учитывать оптический бюджет линии и количество доступных волокон.

Ниже представлены лицевые и задние панели преобразователей серии PN-MF-250

Передатчики и приемники SDI четырехканальные

 

 

Передатчики и приемники SDI двухканальные

 

 

Передатчики и приемники SDI четырехканальные с поддержкой 100/1000 Ethernet


  

 

Передатчики и приемники SDI двухканальные с поддержкой 100/1000 Ethernet

 

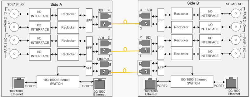
В случае, когда используются SFP трансиверы с встроенным WDM фильтром (т.е паре электрических BNC портов соответствует один оптический), то соответствующий им оптический порт маркирован знаком  .

 

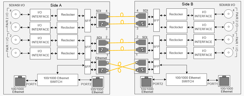
Соединение парных устройств.

При подключении между собой пары устройств серии PN-MF-250 следует соединить оптическими волокнами соответствующие порты (SDI) на стороне A и B.

При использовании линии Ethernet волокна следует включать перекрестно.

 

 

Схема внешних линий связи пары устройств серии PN-MF-250

 

 

В моделях, где используются SFP трансиверы с встроенным WDM фильтром

 (т.е паре электрических BNC портов соответствует один оптический), то соответствующий им оптический порт маркирован знаком  .


  

Схема внешних линий связи пары устройств серии PN-MF-250 при использовании трансиверов со  встроенным WDM фильтром.


 

Индикация на фронтальном срезе устройства.

 

Существуют две группы светодиодных индикаторов: на фронтальном срезе платы  и задней панели модуля.

 

1). Индикаторы ры  на фронтальном срезе платы

  • STATUSUS – зеленый (параметры преобразователя в норме), красный (какой либо из параметров вышел за допустимые пределы). Выбор параметров для контроля производится через программу удаленного управления.

  • IN1, IN2, IN3, IN4 – зеленый (сигнал присутствует), красный (сигнал отсутствует).

    • Индикация наличия сигнала на каждом электрическом входе канала передатчика

    • Индикация наличия передаваемого канала в волокне (для приемников)

  • Rx FAULT- красный (входной оптический сигнал отсутствует).

    • Индикация пропадания оптического сигнала (уровень оптического сигнала в любом канале упал ниже минус 25 dB))

  • x FAULT- красный (неисправность хотя бы одного из лазеров).).

    • Индикация неисправности передающих лазеров либо выходная оптическая мощность лазера вышла за допустимые пределы.

    • Индикация перегрева корпуса (температура превышает +70 ºC)

  • POWER – зеленый (питание в норме)е)

    • Индикация наличия питания

 

2). Индикаторы на задней панели модуля
(располагаются входные/выходные видео BNC разъемы).

PAIR1 I/O 1/2, PAIR2 I/O 3/4/4….. зеленый, красный.

Под каждым BNC разъемом расположен соответствующий ему светодиодный индикатор. Цвет индикатора соответствует направлению сигнала на данном BNC разъеме.

Зеленый данный BNC является входом.

Красный….данный BNC является выходом.

LINK….зеленый, не горит.

Моргание обозначает, что происходит передача данных по линии Ethernet  (для моделей с поддержкой Ethernet)

 

 

Удаленное  и  местное управление и мониторинг.

 

Управление модулем и его мониторинг выполняется от местной панели управления корзины, в которую установлен модуль, или от ПЭВМ.

Управление устройством и его мониторинг от ПЭВМ осуществляется через модуль центрального процессора дистанционного управления, размещенного в этом же корпусе, через веб-интерфейс в полном виде (аналогично меню от местной панели управления корзины) или через программный комплекс “Proflex3.xx” в упрощенном виде (только статус и некоторые регулировки)  с помощью программного пакета PROFLEX3 (можно скачать на сайте www.profitt.ru в разделе «Поддержка» (http://www.profitt.ru/SOFT/PROFLEX3v1.zip)  и протокола SNMP (см. ниже раздел “Реализация протокола SNMP и логирование”.

 

Реализация протокола SNMP и логирование.

 

Устройство PN-MF-250-xx(-12G) поддерживает мониторинг параметров работы по протоколу SNMP v1 и v2c. Для этой цели можно использовать любые программные средства, работающие с указанными версиями протокола.

 

Конструктивное исполнениеие

 

Конструктивно модели серии PN-MF-250-xx(-12G) выполнены на фронтальном  и заднем  модулях системы “PROFNEXT”, которые размещаются в корпусах 1U или 3U этой системы, и занимают два слота в корпусе.  В корпусе 1U блоки располагаются горизонтально, в корпусе 3U – вертикально.

Фронтальная плата двигается по направляющим и легко извлекается с помощью рычагов, расположенных на краю платы.

Задняя плата легко извлекается из корпуса после выкручивания фиксирующих винтов, крепящих плату к корпусу.

Соединение фронтального и заднего модулей осуществляется напрямую через разъем. Через поперечную кросс-плату, которая встроена внутри корпуса “PROFNEXT”, на модули поступает напряжение питания, команды управления, и два глобальных опорных синхросигнала, если они используется.

 

 

^Наверх