Профессиональное телевизионное оборудование

 
 
 

 

Продукция по семействам

 

Продукция по категориям

 
 

Главная >  Усилители-распределители  PN-PVD-361-x

 

Усилители-распределители
видео, аналоговых и импульсных синхросигналов
(небалансных LTC, AES, 10МГц, 1PPS, WC, BB, TRI-LEVEL)
Серия PN-PVD-361-xx

 

  
 

Усилители-распределители модульной системы “PROFNEXT” серии PN-PVD-361-xx предназначены для усиления и распределения до двух независимых каналов импульсных (логических) и аналоговых сигналов синхронизации: LTC, AES(DARS), 10МГц, PPS, WC, ВВ, TRI-LEVEL или аналоговых видеосигналов системы PAL, SECAM, NTSC.

Выпускаются следующие модели усилителей-распределителей “PROFNEXT” серии PN-PVD-361-xx:

  • PN-PVD-361-4– один канал усиления и распределения 1х4;

  • PN-PVD-361-10– один канал усиления и распределения 1х10;

  • PN-PVD-361-22– два канала усиления и распределения 1х2;

  • PN-PVD-361-25- два канала усиления и распределения 1х5

  

Технические данные и характеристики

 

Основные параметры:

Количество каналов:

PN-PVD-361-4

PN-PVD-361-10

PN-PVD-361-22

PN-PVD-361-25

 

Один

Один

Два

Два

Количество выходов по каждому каналу:

PN-PVD-361-4

PN-PVD-361-10

PN-PVD-361-22

PN-PVD-361-25

 

Четыре

Десять

Два

Пять

Входное сопротивление, тип разъёма

75 Ом,  BNC

Выходное сопротивление аналогового сигнала,
тип разъёма

75 Ом,  BNC

Выходное сопротивление логического сигнала,
тип разъёма

50 Ом,  BNC

Максимальное значение входного аналогового сигнала

+/-1,9В

Уровень логической "1" входного логического сигнала

+2 ÷ +5В

Уровень логического "0" входного логического сигнала

-0,5 ÷ +0,5В

Максимальное значение выходного аналогового сигнала на нагрузке 75 Ом

+/-2В

Максимальное значение выходного аналогового сигнала на нагрузке 50 Ом

+/-1,6В

Уровень логической "1"  выходного логического сигнала на нагрузке 50 Ом

+2,7В

Уровень логической "1" выходного логического сигнала на нагрузке 75 Ом

+3В

Уровень логической "1"  выходного логического сигнала на высокоомной нагрузке

+5,5В

Диапазон регулировки усиления аналоговых сигналов

0 ÷ +6дВ

Регулировка усиления логических сигналов

отсутствует

Дифференциальный (балансный) вход:

PN-PVD-361-4

PN-PVD-361-10

PN-PVD-361-22

PN-PVD-361-25

 

имеется

имеется

имеется для входа А

имеется для входа А

Релейный обход при выключении напряжения питания

Имеется по каждому входу

Задержка аналогового сигнала

6,5нс

Задержка логического сигнала

7,5нс

 

 

Индикация

  • Индикация наличия входного сигнала.

 

Потребляемая мощность……………… не более 4.5 Вт

Диапазон рабочих температур………. от 0 до 45°С.

Время непрерывной работы…………. 24 часа

 

 

Состав и работа усилителей-распределителей “PROFNEXT” серии PN-PVD-361

 

Усилители-распределители серии PN-PVD-361-xx предназначены для работы в базовой конструкции модульной системы "PROFNEXT".

Блоки размещаются в корпусах 1U или 3U системы "PROFNEXT".

Блоки PN-PVD-361-25 и PN-PVD-361-10 занимает два "слота" в корпусах "PROFNEXT", блоки PN-PVD-361-22 и PN-PVD-361-4 - один "слот"

 

Структурные схемы модулей усилителей-распределителей сигналов системы “PROFNEXTсерии PN-PVD-361-xx представлены на рисунках

 

 

 

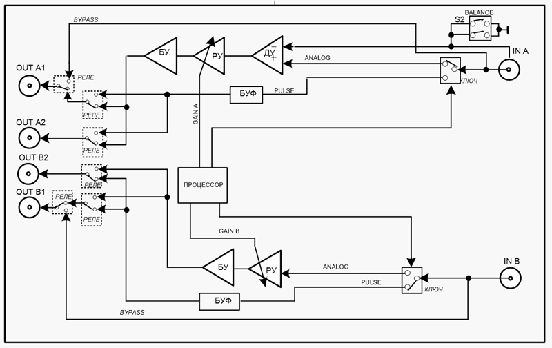
Структурная схема двухканального усилителя 1х5  PN-PVD-361-25

 

 

 

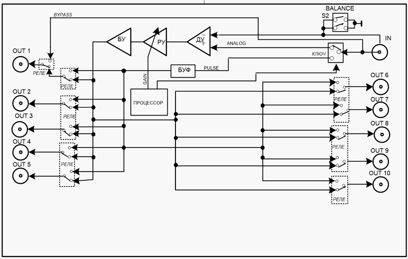
Структурная схема одноканального усилителя 1х10  PN-PVD-361-10

 

 

 

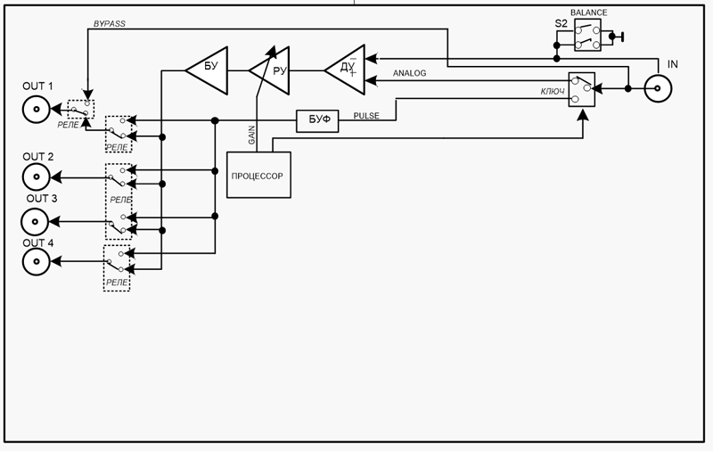
Структурная схема одноканального усилителя  1х4  PN-PVD-361-4

 

 

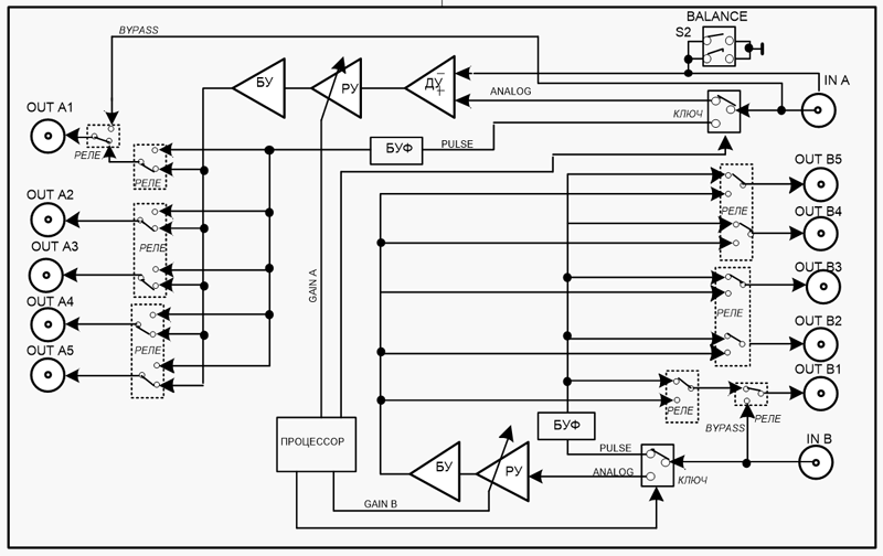
Структурная схема двухканального усилителя  1х2  PN-PVD-361-22

 

Устройство состоит из одного или двух каналов распределения входного сигнала.

На входе каждого усилителя установлены коммутаторы (ключи), переключающиеся в зависимости от типа входного сигнала: импульсного (логического) или аналогового. Если входной импульсный сигнал имеет уровень меньше 2В на нагрузке 75Ом (например, сигналы AES/EBU (DARS), необходимо использовать аналоговый режим. На фронтальном срезе платы установлены светодиоды AN1 и AN2, индицирующие наличие входного сигнала. Зелёное свечение соответствует наличию входного сигнала, красное свечение-отсутствию. Одновременная подсветка обоих составляющих светодиода, красной и зелёной, свидетельствует о наличии входного сигнала и включению ограничения заданного пользователем коэффициента усиления.

 В аналоговом тракте по входу (для усилителя PN-PVD-361-22 и PN-PVD-361-25 только по входу “А”) стоит дифференциальный усилитель (ДУ), предназначенный для устранения синфазной помехи. Включение/выключение данной функции осуществляется сдвоенным переключателем S2, установленном  на печатной плате, установка любого движка переключателя в положение ON переводит вход усилителя в состояние "небалансный". Далее установлен регулируемый напряжением усилитель (РУ). Регулировка осуществляется по каждому входу в диапазоне от 0дБ до +6дБ. Все регулировки и мониторинг состояния блока могут осуществляться только через центральный процессор корпуса:

  • с лицевой панели корпуса;

  • через WEB-интерфейс;

  • с помощью программы Proflex 3, устанавливаемой на ПК;

В конце тракта установлены усилители мощности БУ (БУФ). На выходах устройства с помощью реле происходит переключение импульсных/аналоговых сигналов. При отключении напряжения питания на выходы OUT1 (для PN-PVD-361-10 и PN-PVD-361-4) или OUTA1, OUTB1 (для PN-PVD-361-22 и PN-PVD-361-25) осуществляется релейный обход с входов IN, INA, INB соответственно. При извлечении фронтального модуля обход не происходит.

Если возникает опасность превышения допустимого уровня сигнала на выходах устройства, включается ограничение коэффициента усиления. Ограничение происходит:

  • при регулировке усиления;

  • при включении питания (если входной сигнал подан);

  • при подключении входного сигнала;

Ограничение усиления отображается на фронтальном срезе платы одновременным свечением красной и зелёной составляющей соответствующего светодиода. Кроме того на лицевой панели и в WEB-интерфейсе указывается: Limiting ON. Если ограничение наступило, то в разделе Gain, dB указывается действительный коэффициент усиления. Для снятия режима ограничения достаточно задать коэффициент усиления равный или меньший установленного устройством.

Ограничение может быть разрешено/запрещено командой Gain Limits Enable/Disable.

 

 

Внешний вид задних панелей усилителей-распределителей серии PN-PVD-361-xx представлен ниже:

 

Задняя панель PN-PVD-361-10  Задняя панель PN-PVD-361-22
Задняя панель PN-PVD-361-25   Задняя панель PN-PVD-361-4

 

 

Конструктивное исполнение

 

Конструктивно устройство выполнено на фронтальном и заднем  модулях системы “PROFNEXT”, которые размещаются в корпусах 1U или 3U этой системы, и занимает один или два "слота" в корпусе (в зависимости от модификации).  В корпусе 1U блоки располагаются горизонтально, в корпусе 3U – вертикально.

Фронтальный модуль выполнен в виде платы размером 350х100 мм. Плата двигается по направляющим и легко извлекается с помощью рычагов, расположенных на краю платы. Соединение фронтального и заднего модулей осуществляется напрямую через разъем. Через поперечную кросс-плату, которая встроена внутри корпуса “PROFNEXT”, на модули поступает напряжение питания и команды управления.

 

 

Настройка и конфигурация устройства

 

Управление устройствами серии PN-PVD-361-xx выполняется:

  • от лицевой панели корпуса;

  • через WEB-интерфейс;

  • с помощью программы Proflex 3, устанавливаемой на ПК;

 

Управление от местной лицевой панели

 

Выбор возможных режимов от местной лицевой панели управления осуществляется через меню на графическом дисплее. Управление производится с помощью кнопок управления.

 

 

 

  Кнопки управления.

 

При нажатии кнопки  выполняется перемещение по меню вверх относительно текущего положения курсора.  В режиме изменения параметра эта кнопка позволяет изменять значение на одну единицу в сторону увеличения.

При нажатии кнопки   выполняется перемещение по меню вниз относительно текущего положения курсора.  В режиме изменения параметра эта кнопка позволяет изменять значение на одну единицу в сторону уменьшения.

При нажатии кнопки     MENU выполняется вход в выбранный пункт меню.

При нажатии кнопки     ESC выполняется переход в предыдущий уровень меню. В диалоге редактирования кнопка     позволяет перемещаться влево по нескольким значениям параметров внутри изменяемой настройки.

При нажатии кнопки OK выполняется вход в пункт меню, на который указывает курсор.  В диалоге изменения параметра нажатие кнопки OK подтверждает выставленное в текущий момент значение параметра. 

Выберите строку Select SlotOK

В строке соответствующего слота должен указываться шифр блока. Выбираем данную строку→ОК

СONFIGОК/Gain Limits Enable/Disable  ± OK/выбираем разрешение (Enable) или запрещение (Disable) ограничения коэффициента усиления OK/ ESC/выбираем требуемый вход INPUTA (INPUTB) →OK. Данный пункт меню позволяет устанавливать тип сигнала Type Analog/Pulse, осуществлять регулировку усиления Gain, получать информацию о наличии ограничения коэффициента усиления Limiting ON/OFF.


 

 

Управление через WEB-интерфейс модульной системы PROFNEXT

 

Управление устройствами серии PN-PVD-361-xx и их мониторинг может осуществляться через WEB‑интерфейс модульной системы PROFNEXT. Для этого откройте установленный на Вашем компьютере браузер и в адресной строке введите IP-адрес используемой "корзины" PROFNEXT. Посмотреть и изменить IP-адрес можно на лицевой панели, перейдя в пункт меню Setup > Net setup > Ip addr. При смене IP-адреса не забывайте корректно устанавливать другие сетевые настройки. Также смена IP-адреса доступна с помощью утилиты profit_di, которую можно скачать, перейдя по ссылке http://www.profitt.ru/SOFT/Profitt_di.zip.

В WEB-интерфейсе модуля предусмотрены вкладки (окна). Первая вкладка содержит информацию о состоянии процессора корпуса. Остальные вкладки закреплены за "слотами" корпуса. Выбор вкладки осуществляется в верхней строке экрана.

 

WEB интерфейс управления двухканальным усилителем PN-PVD-361-xx

 

 

 

Окно управления WEB-интерфейса модуля PN-PVD-361-25

 

Input A(B)---OK/LOSS - информация о наличии входного сигнала;

Type ---Analog/Pulse - задание типа входного сигнала;

Gain, dB - регулировка коэффициента усиления

 

После нажатия кнопки Edit появляется окно установки коэффициента усиления,
в котором значение коэффициента выделено. В этом случае коэффициент усиления может быть установлен непосредственно с клавиатуры или изменён нажатием на стрелки, стрелки вверх/вниз предназначены для регулировки коэффициента усиления больше/меньше. Если выделение отсутствует, изменение производится с помощью стрелок. Выделение можно восстановить, проведя курсором по цифрам при нажатой левой клавиши компьютерной мыши. Регулировка коэффициента усиления может также осуществляться с помощью колёсика мыши. Достаточно навести курсор на цифры и вращать колёсико. После регулировки необходимо нажать ОК либо клавишу Enter на клавиатуре.

 

 

Окно регулировки коэффициента усиления

 

 

Limiting --- ON/OFF - информация о включении ограничения коэффициента усиления.

Gain Limits--- Enable/Disable - разрешение/запрещение ограничения коэффициента усиления. Действует в обоих каналах.

 

 

 

Управление с помощью Программного пакета «Proflex3.xx»

 

Управление устройством и его мониторинг может также осуществляться с использованием программного обеспечения: «Программный пакет для мониторинга и управления модульной системой «Proflex3.xx» (PC, ОС Windows XP/7/8/10, ETHERNET)».

Окно управления на примере блока PN-PVD-361-25 представлено на рис.12

Перечень параметров и регулировок аналогичны описанным выше для управления через WEB‑интерфейс модуля.

 

Окно управления блока PN-PVD-361-25 в «Proflex3.xx»

   

 

^Наверх